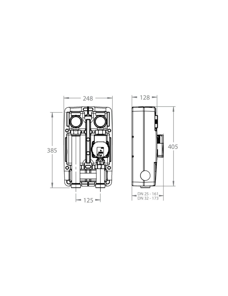
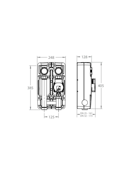
Groupe de distribution LK LK862 R HYDRONICGROUP C/C 125 G 1½" / Rp 1" x G 1½" DN32 LK 110 SmartComfort 230V
Le LK862 R HYDRONICGROUP est un groupe de distribution à alimentation directe pour les systèmes de chauffage. Facile à installer, il optimise le transfert de chaleur et améliore l'efficacité énergétique.
LK862 R HYDRONICGROUP LK100 : Efficacité et Contrôle pour Votre Installation Thermique
Le LK862 R HYDRONICGROUP LK100 est un groupe de distribution conçu pour les installations de chauffage à alimentation directe, assurant une gestion efficace du flux thermique sans nécessité de mélange. Ce dispositif est idéal pour connecter directement la chaudière aux circuits de chauffage, optimisant le transfert de chaleur et garantissant une efficacité maximale.
Grâce à sa configuration compacte et à son design intuitif, le groupe de pompe LK861 est facile à installer et parfait pour des applications dans des installations domestiques et commerciales.
LK HYDRONICGROUP LK862 R: Caractéristiques Techniques et Performances
Le LK861 HYDRONICGROUP C/C 125 est réalisé avec des matériaux de haute qualité pour garantir durabilité et résistance. Voici ses principales spécifications :
- Tension d'alimentation : 230 VAC 50/60 Hz
- Consommation : de 10 à 75 W en fonction de la vitesse de la pompe
- Température de fonctionnement : de 5°C à 95°C
- Température ambiante : de 5°C à 58°C
- Pression maximale de fonctionnement : 10 bar (1,0 MPa)
- Fluide compatible : eau ou mélange eau-glycol (jusqu'à 50%)
- Matériau du corps de vanne : Laiton EN 12165 CW617N
- Matériau isolant : Polypropylène expansé EPP
- Filetage standard : Rp filetage femelle / G filetage mâle
- Raccords : G 1½" / Rp 1" x G 1½"
- DN : 32
Le LK862 R est doté d'une vanne de non-retour intégrée sur le côté retour, qui empêche les inversions de flux et améliore l'efficacité du système.
Pourquoi Choisir le Groupe de Distribution LK862 R HYDRONICGROUP?
Le LK862 R HYDRONICGROUP est le choix parfait pour ceux qui cherchent un groupe de distribution simple, efficace et fiable pour des installations de chauffage à température basse et haute.
- Alimentation directe : connecte la chaudière directement aux circuits sans vannes de mélange.
- Installation facile : grâce à la structure compacte et à la préparation pour le montage.
- Compatibilité universelle : idéale pour les installations résidentielles et commerciales avec différents types de générateurs de chaleur.
- Économie d'énergie : optimise le transfert de chaleur et réduit les pertes thermiques.
- Sécurité garantie : grâce à la vanne de non-retour intégrée et à la structure isolante.
Avec LK HYDRONICGROUP, vous pouvez gérer votre installation thermique de manière simple, efficace et avec un maximum de performances.
Références spécifiques
- 299462181243



